uz_dac_spi_interface

The uz_dac_interface IP-Core takes input values for the uz_dac8831 DAC adapter card from the processor by AXI and writes them to the adapter card. The IP-Core is designed for simplicity. One AXI register for each DAC and a trigger conversion register is present. On a rising edge on the trigger conversion register (only possible by AXI), all values are written to all DACs. The SPI clk frequency can not be changed during runtime and is hard-coded to \(f_{SPI}=0.5 \cdot f_{IP-Core}\). The software driver features a conversion factor for each of the DAC channels to account for different gains in the OpAMP circuit of the card.

Software interface

Example

The following example initializes one driver instance and writes values to it. Note that the values of DAC1 and DAC8 are out of range for the +- 5V output and will clip accordingly. However, supplying out of range values does not trigger an assertion to be able to model the behavior of clipping sensors if they measure out-of-range values.

Listing 170 Initialization of the driver instance. Base address depends on xparameters.h, gains are set to their nominal value in this case (2.0f).
#include "uz_dac_interface.h"
#include "xparameters.h"
#include "uz_array.h"

struct uz_dac_interface_config_t dac_config={
    .base_address=XPAR_UZ_USER_UZ_DAC_SPI_INTERFACE_0_BASEADDR, // Depends on xparameters.h!
    .ip_clk_frequency_Hz=100000000,
    .gain={2.0f,2.0f,2.0f,2.0f,2.0f,2.0f,2.0f,2.0f}
};
uz_dac_interface_t* dac_instance=uz_dac_interface_init(dac_config);
Listing 171 Writes values of dac_input to the DAC channels
float dac_input[8]={-6.0f, -5.0f, -4.0f, -3.0f, 1.0f, 3.0f, 4.0f, 8.0f};
    uz_array_float_t dac_input_array={
    .data=&dac_input[0],
    .length=UZ_ARRAY_SIZE(dac_input)
};
uz_dac_interface_set_ouput_values(dac_instance,&dac_input_array);

Driver reference

UZ_DAC_INTERFACE_OUTPUT_CHANNELS

Defines the maximum number of DAC channels on the PCB. Has to be 8!

typedef struct uz_dac_interface_t uz_dac_interface_t

Typedef for uz_dac_interface object definition.

struct uz_dac_interface_config_t

Configuration struct for the DAC Interface IP-Core.

Public Members

uint32_t base_address

Base address of the IP-Core instance to which the driver is coupled

uint32_t ip_clk_frequency_Hz

Clock frequency of IP-Core

float gain[UZ_DAC_INTERFACE_OUTPUT_CHANNELS]

Gain of the output OpAMPs of the DAC card. Usually set to 2.0f, but can be fine-tuned to match actual hardware.

uz_dac_interface_t *uz_dac_interface_init(struct uz_dac_interface_config_t config)

Initializes an instance of the DAC driver.

Parameters
  • config – Config struct for the DAC

Returns

uz_dac_interface_t* Pointer to an instance of the driver

void uz_dac_interface_set_ouput_values(uz_dac_interface_t *self, uz_array_float_t *output_values)

Writes the set-point to all DAC simultaneously. Saturates internally to allow for clipped operation.

Parameters
  • self – Pointer to driver instance

  • output_values – Array of set-point values

IP-Core interface (Vivado)

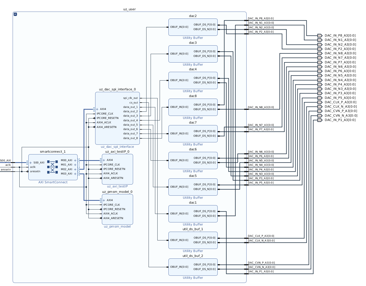
The FPGA interface of the IP-Core is a single signal while the uz_dac8831 PCB expects LVDS signals. Therefore, additional Utility Buffers (with C Buf Type set to OBUFDS) have to be added to the Vivado block design between the output ports and the uz_dac_spi_interface IP-Core. Constraints for using the DAC card uz_dac8831 in the slot A3 are supplied in the constraints folder (uz_dac8831_A3.xdc). The SPI clk frequency of the IP-Core output is always half of the IP_CORE_CLK. The IP-Core is only tested with IPCORE_CLK and AXI_ACLK connected to 100 MHz clock!

../../../_images/uz_user_dac.png

Fig. 143 Wiring to output ports.

../../../_images/uz_user_dac_extended.png

Fig. 144 Detailed setup of uz_dac_spi_interface IP-Core and Utility Buffer

../../../_images/uz_dac_utility_buffer.png

Fig. 145 Settings of Utility Buffer

Table 38 Interface and ports of the IP-Core

Port Name

Port type

Data type

Target Platform Interfaces

Mapping

Function

trigger_write

Inport

boolean

AXI4

x”100”

Current values from data_out_1..8 are written output to SPI interface

dac_data_1

Inport

int16

AXI4

x”104”

Data that should be sent to DAC1

dac_data_2

Inport

int16

AXI4

x”108”

Data that should be sent to DAC2

dac_data_3

Inport

int16

AXI4

x”10C”

Data that should be sent to DAC3

dac_data_4

Inport

int16

AXI4

x”110”

Data that should be sent to DAC4

dac_data_5

Inport

int16

AXI4

x”114”

Data that should be sent to DAC5

dac_data_6

Inport

int16

AXI4

x”118”

Data that should be sent to DAC6

dac_data_7

Inport

int16

AXI4

x”11C”

Data that should be sent to DAC7

dac_data_8

Inport

int16

AXI4

x”120”

Data that should be sent to DAC8

spi_clk_out

Outport

boolean

External Port

CLK for SPI interface of all DAC - to be connected to Utitlity buffer (OBUFDS)

cs_out

Outport

boolean

External Port

CS for SPI interface of all DAC

data_out_1

Outport

boolean

External Port

Connection to DAC1 - to be connected to Utitlity buffer (OBUFDS)

data_out_2

Outport

boolean

External Port

Connection to DAC2 - to be connected to Utitlity buffer (OBUFDS)

data_out_3

Outport

boolean

External Port

Connection to DAC3 - to be connected to Utitlity buffer (OBUFDS)

data_out_4

Outport

boolean

External Port

Connection to DAC4 - to be connected to Utitlity buffer (OBUFDS)

data_out_5

Outport

boolean

External Port

Connection to DAC5 - to be connected to Utitlity buffer (OBUFDS)

data_out_6

Outport

boolean

External Port

Connection to DAC6 - to be connected to Utitlity buffer (OBUFDS)

data_out_7

Outport

boolean

External Port

Connection to DAC7 - to be connected to Utitlity buffer (OBUFDS)

data_out_8

Outport

boolean

External Port

Connection to DAC8 - to be connected to Utitlity buffer (OBUFDS)

References